



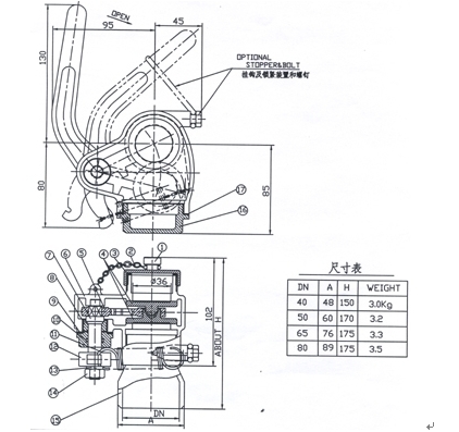
|
DN
|
SIZE
|
D
|
H
|
|
40
|
1 1/2
|
48
|
150
|
|
50
|
2
|
60
|
170
|
|
65
|
2-1/2
|
76
|
175
|
|
80
|
3
|
89
|
175
|
|
零件名稱
Part name
|
材料 Material
|
|
|
名稱 Name
|
牌號(hào) Mark
|
|
|
閥體、閥蓋(Body、Cover)
|
青銅(Bronze)
|
ZQSn10-21
|
|
閥盤、閥桿(Disk、stem)
|
青銅(Bronze)
|
QA19-21
|
|
填料(Fill in)
|
聚四氟乙烯
|
SFT-2
|